产品概述
使用环境
技术参数
尺寸结构
资料下载
ARW3系列万能式断路器,适用于交流50Hz、额定电流200A~4000A、额定绝缘电压相关至AC1500V、额定工作电压AC400V、AC500V、AC690V、AC800V、AC1000V、AC1140V、AC1500V的配电网络中,用来分配电能和保护线路及电源设备免受过载、欠电压、短路、单相接地等故障的危害。同时也具有隔离功能。断路器具有多种保护功能,高精确的选择性保护,提高了供电可靠性。


● 宽大的极间距,方便接线安装,更加安全;
● 高分断能力、零飞弧距离、安全性高;
● 模块化结构、通用性强、体积小;
● 具备三位置锁定及解锁装置、操作安全可靠;
● 智能化保护功能齐全可靠;
● 水平、垂直、混合等多种接线方式;
● 上或下进线连接均可;
● 集成化通讯方式、适用于多种协议;
● 符合GB/T14048.1低压开关设备和控制设备 第1部分:总则
● 符合GB/T14048.2低压开关设备和控制设备 第2部分:低压断路器
● ARW3系列智能型万能式断路器已获得**CQC证书
断路器型号 | ARW3-1600 | ARW3-2500 | ARW3-4000 | ||||
分断能力 | 高电压 HU 型 | 高电压 HU 型 | 高电压 HU1 型 | 高电压 HU 型 | 高电压 HU1 型 | ||
额定电流(A) | In | 400、630、800、1000、1250、1600 | 630、800、1000、1250、1600、2000、2500 | 630、800、1000、1250、1600、2000、2500、 | |||
额定工作电压(V) | Ue | AC800、1000 | AC800、 1000 、1140 、1500 | AC800、1000、1140、1500 | |||
额定绝缘电压(V) | Ui | 1250 | 1500 | ||||
额定冲击耐受电压(kV) | Uimp | 12 | 14 | ||||
工频耐受电压(V) | U | AC3500V,50Hz,1min | |||||
极数 | P | 3、4 | |||||
N 极额定电流(A) | 100%In | ||||||
额定极限短路分断能力(kA)/ | Icu/Ics/Icw/Icm | AC800V | 18/18/36/39.6 | 75/75/75/165 | / | 75/75/75/165 | / |
AC1000V | 18/18/36/39.6 | 65/65/65/143 | / | 65/65/65/143 | / | ||
AC1140V | / | 50/50/50/110 | 70/70/70/154 | 50/50/50/110 | 70/70/70/154 | ||
AC1500V | / | / | 50/50/50/110 | / | 50/50/50/110 | ||
全分断时间(无附加延时)(ms) | 12-35 | ||||||
闭合时间(ms) | <60 | ||||||
操作性能 | 机械寿命(次) | 免维护 | 15000 | 10000 | 10000 | ||
有维护 | 20000 | 15000 | 15000 | ||||
电气寿命(次) | AC800V/ | 500 | 2000(630-1600A) | 2000(630-1600A) | |||
外形尺寸:高×宽×深(mm) (深不包括母排长度) | 抽屉式 | 3P | 354×254×305 | 435×375×410 | 435×435×410 | ||
4P | 354×324×305 | 435×470×410 | 435×550×410 | ||||
固定式 | 3P | 324×269×203 | 398×368×299 | 398×430×299 | |||
4P | 324×339×203 | 398×463×299 | 398×545×299 | ||||
ARW3-1600抽屉式
水平接线

额定电流(A) | a(mm) | L(mm) |
200~800 | 5 | 标准型:35(默认) 加长型:50 |
1000~1250 | 10 | |
1600 | 16 |
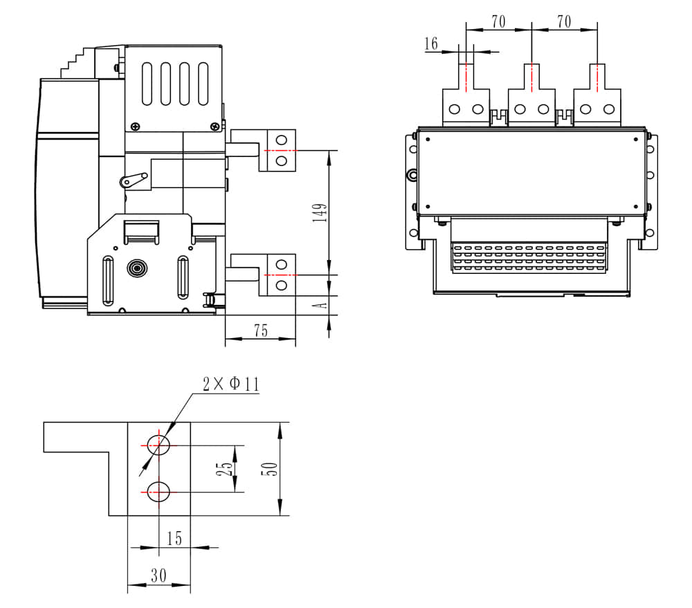
ARW3-1600抽屉式
垂直接线

额定电流(A) | A(mm) |
200~800 | 42.5 |
1000~1250 | 47.5 |
1600 | 53.5 |
ARW3-1600固定式
水平接线

额定电流(A) | a(mm) |
200~800 | 5 |
1000~1250 | 10 |
1600 | 16 |
ARW3-1600固定式
垂直接线

额定电流(A) | A(mm) |
200~800 | 12 |
1000~1250 | 17 |
1600 | 23 |
关注公众号扫码领取样本